这款观鉴®Ⅷ边缘计算智能终端集音视频解码、数据传输、存储、人脸识别、行为分析、机非人结构化等多种技术为一体,场景功能可灵活切换;设备可同时搭载多种算法,且算法支持定制与升级,使其能够常用常新;加上其丰富的外接口配置,对接更灵活,也方便第三方系统集成,给予了客户更多的选择。
随着信息化的不断发展,人们对信息获取时效提出了更高的要求,在5G、人工智能、物联网等新兴技术的催生下,万物互联已经成为一种新的发展趋势。网络技术不再只停留于原来的数字层面,而是可以在物质生活中提供更加智能化的服务。我们与物之间密切交流带来的不仅是数据量的迅速提升,同时也对网络带宽及延迟提出更高的要求。边缘计算通过将数据存储和计算的重心由中央数据处理中心转移到边缘,直接在终端设备进行智能化技术操作,不需要进行大量的中心设备与边缘设备间的数据处理。不仅可以减少数据到网络中心的等待时间,提供网络更大的连接数和终端资源分配,还可以缓解网络流量压力,更好的提供智能化服务。
在此背景下,如何从上万路的视频中识别并提取有效的行为特征信息或车辆特征信息,以及保证信息的准确性以及时效性,实现结构化数据的检索和管理,并且对已经部署的传统监控系统进行智能化升级?面对这一系列问题,美赞美推出了基于机器视觉技术及自研观鉴® A I算法的观鉴®Ⅷ边缘计算智能终端,是当下前端普通网络摄像机智能化升级,以及智慧场景应用的解决方案。而本次参与a&s功能测试的就是美赞美推出的观鉴Ⅷ边缘计算智能终端。测试编辑将通过多项测试来看看这款观鉴®Ⅷ边缘计算智能终端在各方面的表现究竟如何。

丰富外接口 部署灵活性能稳定
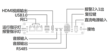
观鉴®Ⅷ边缘计算智能终端拥有极其丰富的外接口,能够满足各类场景对于接口的需求。拥有一个HDMI视频输出接口、两个USB3.0接口、两个网络接口、报警2入1出接口、音频输入输出口等,双千兆网卡使其能够支持双网络IP设定内外网隔离等应用,满足多种组网环境需求,另外该设备还具备有FTP接口方式进行数据传输。除此之外,它支持有线RJ45,能够自适应10/100/1000Mbps,用户无需担心网络带宽不匹配问题。对于前端设备,支持ONVIF、RTSP、GB/T 28181协议的第三方相机接入,给予用户更多选择。


无论是哪类产品,若是学习成本高、安装部署复杂,那么该产品势必会被时代所淘汰。观鉴®Ⅷ边缘计算智能终端上手简单、部署方便快捷,几乎没有任何学习成本,无需复杂的安装部署调试过程,只需简单的将该设备通网通电即可使用,并且能够在不改变原有组网的前提下进行智能化改造,省时省力。
在设备稳定性方面,观鉴®Ⅷ边缘计算智能终端采用轻量化、无风扇设计,内置海思3559A芯片,拥有8G内存和32G容量的EMMC,以及2.5寸1T硬盘。设备整体功耗低于36W,节能省电,并且尺寸大小不超过36.0mm(高)×150.0mm(深)×181.0mm(宽),重量也小于1.2kg。强大的机身结构使其能够在-20°C~+60°C的温度、5%~95%的湿度环境下工作,无需惧怕重灰、重油、高低温等恶劣环境,能够适合更多场景使用。不仅如此,当设备在承受浪涌、电压降低、电压中断后依旧可自行恢复工作状态。
自研观鉴®算法加持 实现智慧场景服务
观鉴®Ⅷ边缘计算智能终端内嵌了美赞美自研的观鉴AI算法,该算法是基于机器视觉技术,在视频监控领域AI算法与现实场景应用的研究,该算法经过多年的落地实战和技术更新迭代,精度高、功能完备、并发性能强、对接简单等特点。可部署在分析盒、服务器和公有云上,并且支持多款主流AI芯片。而搭载该算法的观鉴Ⅷ边缘计算智能终端,拥有非常多的智能功能,为智慧场景提供了极其强大的智能化管理服务。
基于强大的智能算法,观鉴®Ⅷ边缘计算智能终端支持场景功能灵活切换,支持人脸抓拍、人脸布控、人脸识别等多种智能检测接入和联动,对场景内机动车、非机动车、行人通过提取多种属性进行检测,得益于美赞美“观鉴”深度学习算法,抓拍识别准确率不低于99%,例如对机动车进行车牌识别、车牌布控、人脸比对等这些均不在话下,免去复盘翻查之苦。


除此之外,该设备还能够将人脸识别与多种结构化分析算法同时运行,以及开启8路人脸识别或8路行为分析类算法,如人脸识别、未带口罩检测、吸烟检测、打电话检测、烟火检测、未戴安全帽检测、未戴厨师帽检测、工作服检测、鼠患检测、楼道拥挤、徘徊滞留等,实现一机多用。开启人脸行为联动功能,算法对行为进行分析后,如果满足人脸识别需求,会分析其身份,获得发出此行为的人员信息,确保监控区域的安全。

观鉴®Ⅷ边缘计算智能终端支持多种算法同时搭载,拥有多种行为检测功能,如吸烟检测、打电话检测、未戴厨师帽检测、未穿工作服检测、未带口罩检测、鼠患检测等。当用户有特殊检测需求时,观鉴®Ⅷ边缘计算智能终端支持算法定制,算法会自动进行深度学习,满足各类场景的检测需求。当算法有更新时,设备后台管理平台可供用户选择是否升级。通过算法定制以及算法的自我深度学习,实现设备常用常新,永不过时。
WEB页面管理控制 设备操控一步到位
一般来说,设备的操控平台也是非常重要的,简单、易懂的操控页面能够保证作业效率,也能够保障数据的安全。观鉴®Ⅷ边缘计算智能终端采用WEB页面管理操控,页面简单明了,学习成本低。当用户不在设备附近时,利用浏览器进行访问和控制,支持设备远程重启、远程升级、远程控制等能力。在WEB页面,用户能够对设备进行设置、区域划分、选取算法等操作。
在WEB页面上,可以对画面设置多边形检测区域,对设置的检测区域内的人员进行行为分析,并且单个画面可同时检测40个目标,检测时间小于0.3秒,相比其他厂商的边缘计算智能终端,是非常具有优势的。不但如此,用户还能够在操控页面上开启单通道同时进行多种检测业务,如同时开启人脸识别、吸烟检测、打电话检测、未戴安全帽检测、未戴厨师帽检测等,不在局限于单通道只能开启单一检测业务的尴尬局面,真正做到事半功倍。
在安防领域,告警也同样重要,当出现非原本意愿的人或事物时,及时告警可以预防意外的发生。观鉴®Ⅷ边缘计算智能终端可以通过WEB页面设置告警功能,当出现告警信息时会主动上报,并将告警图片以及告警视频片段存在本地,其中图片支持显示时间戳,作业人员可根据时间段、通道号、告警类型检索告警记录。除了简单的告警功能,观鉴Ⅷ边缘计算智能终端还能开启报警联动,支持无源的开路或闭路信号接入,实时响应并输出联动信号,保障监控区域的安全。
值得一提的是,观鉴®Ⅷ边缘计算智能终端支持32个人脸库,总库容最大支持10万张人脸图片,对于大型场景已完全足够,并且可以通过WEB页面设置人脸黑白名单布控,提供多样化布防操作。在安全性方面,观鉴Ⅷ边缘计算智能终端支持网关ARP绑定,防止网关MAC地址欺骗,为数据、网络安全增设一道保障。
点评
这款美赞美的观鉴®Ⅷ边缘计算智能终端,及时解决了AI领域智能化设备部署的一系列痛点和难点。这款产品集音视频解码、数据传输、存储、人脸识别、行为分析、机非人结构化等多种技术为一体,场景功能可灵活切换;设备可同时搭载多种算法,且算法支持定制与升级,使其能够常用常新;加上其丰富的外接口配置,对接更灵活,也方便第三方系统集成,给予了客户更多的选择。可以说,在如今的数智时代,这款美赞美的观鉴Ⅷ边缘计算智能终端为客户提供了更加经济高效的系统方案,是各类智慧场景部署的优先选择。
沪公网安备 31011202001934号